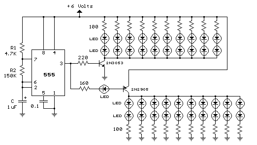
Rangkaian-rangkaian berikut adalah rangkaian led strobo yang akan menghasilkan nyala led mirip lampu kedap kedip polisi. rangKaian-rangkaian led strobo atau led flasher yang saya ambil dari berbagai sumber di internet ini sangat sederhana dan komponennya mudah didapat. Sangat cocok untuk praktek para hobi elektronika
Rangkaian lampu strobo (lampu polisi) dengan led sederhana (led flasher)
Diposkan oleh
Ronald rezal
Label:
Rangkaian led flasher strobo
Subscribe to:
Post Comments (Atom)
Popular Posts
- 
Bagaimana cara kerja las listrik? teman-teman mungkin pernah bertanya, apa sebenarnya yang dilakukan las listrik sehingga bisa melelehkan ka...
 - 
Fungsi kapasitor adalah menyimpan listrik atau energy listrik untuk sementara. Kapasitor juga berfungsi sebagai panyaring atau filter, yait...
 - 
Rangkaian-rangkaian berikut adalah rangkaian led strobo yang akan menghasilkan nyala led mirip lampu kedap kedip polisi. rangKaian-rangkaian...
 - 
listrik pln sering mati??? inverter adalah solusinya. ini adalah rangkaian elektronika inverter 40 watt. inverter ini adalah alat untuk meru...
 - 
Suatu hari perangkat audio anda tidak mengeluarkan suara sama sekali? jika terjadi seperti hal ini maka anda bisa langsung memeriksa bagian...
 - 
Bagaimana cara memperbaiki microphone? micriphone atau mic adalah salah satu peralatan elektronika yang paling mudah diperbaiki, bahkan bag...
 - 
Rangkaian sirine adalah rangkaian yang berfungsi mengeluarkan suara sirine. Rangkaian ini biasanya digunakan untuk rangkaian anti maling, ya...
 - 
Sering kita sebagai hobi lupa atau mungkin belum tahu cara membaca nilai sebuah kapasitor. Kapasitor yang sulit dibaca nilainya biasanya ka...
 - 
setiap warna resistor mempunyai nilai tertu sebagai berikut : hitam bernilai 0 coklat bernilai 1 merah bernilai 2 jingga bernilai 3 kun...
 - 
IC 78xx (kadang-kadang L78xx, LM78xx, MC78xx ...) adalah keluarga IC regulator tegangan . Keluarga 78xx umumnya digunakan dalam sirkuit ...
 
 
 
 
 
 
No comments:
Post a Comment